Designing equipment to be operated onboard Navy vessels is not like designing a consumer product that plugs into a three-prong wall socket. That being said, it’s important to know the characteristics of the on-board power source and test to make sure that equipment can reliably use that power.
MIL-STD-1399-300B, Department of Defense Interface Standard for Electric Power, Alternating Current, defines the electrical interface power requirements for shipboard and submarine equipment that uses AC electric power. It also defines requirements and test methods to ensure compatibility between user equipment and the electric power system. The latest version of the standard, Revision B, covers both fixed 400 Hz and 60 Hz frequency.
The standard first describes the characteristics of the shipboard electric power system at the interface in terms of voltage, frequency, continuity, and voltage waveform. Next, it specifies constraints on user equipment design and installation, which are necessary to achieve shipboard compatibility with and to assure these characteristics. Finally, specifies test requirements to verify conformance of user equipment to this standard.
To help manufacturers comply with the requirements of MIL-STD-1399-300B, AMETEK Programmable Power offers the Shipboard Power Test Software Option. This software option covers all power groups included in the test standard, including both fixed 400 Hz and 60 Hz frequency power. It simplifies electrical testing when developing equipment intended for use aboard ships.
For example, Section 5.2.6 says, “User equipment shall operate within the user frequency and voltage tolerance envelope of Figures 9 through 15 as applicable with a pf within the range of 0.8 lagging to 0.95 leading for 60 Hz and 0.8 lagging to 0.9 leading for 400 Hz under normal steady state operating conditions, excluding start-ups and pulsing loads.” With this test software, you can program an AMETEK Programmable Power AC source to provide these voltages and power factors.
The Shipboard Power Test Software Option is available for use with the following AC power source lines:
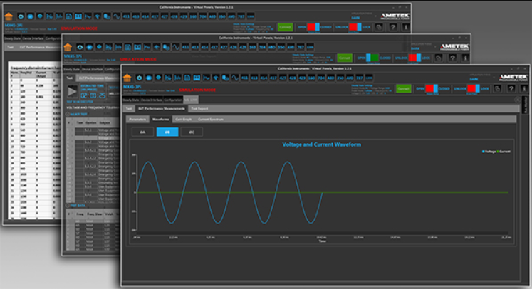
It operates through the California Instruments Virtual Panels Graphical User Interface software, as shown below. The Virtual Panels software is available for all of the AC power sources above, and the MIL 1399 tests can be operated from the MIL 1399 test screen.
This software will be particularly helpful to EMC testing labs and defense contractors who need to comply with MIL-STD1399-300B by eliminating time-consuming test sequence programming. James Schada, Senior Product Manager at AMETEK Programmable Power, notes, “Test operators can simply open the software, click on the name of the test they want to run, press an on-screen button, and the sequence runs automatically. Once the test is executed, the software can generate a report on the results, including the test sequence, a voltage and current graph, a current harmonics graph, current spectrum, and user test data.”
For more information on MIL-STD-1399-300B Shipboard Power Test Software or any of AMETEK’s programmable power supplies and programmable loads, contact an authorized sales representative by visiting https://www.programmablepower.com/about-us/contact-us. AMETEK Programmable Power also can be contacted directly toll free at 800-733-5427 or 858-450-0085 or at sales.ppd@ametek.com.

