Low-level measurements are susceptible to noise from a number of different sources.
While discussing all the ways that noise can degrade low-level measurements is outside the scope of this article, let's at least consider how to make sure that your test system power supply is not a problem:
- Start with a low-noise power supply. The first step to ensuring that noise doesn't affect your test system's low-level measurements is to use a low-noise power supply. In general, linear power supplies are less noisy than switching power supplies, and this makes them a better choice for powering test systems that must make low-level measurements. The Sorensen XT Series, for example, has an output noise and ripple specification of less than 1 mV.
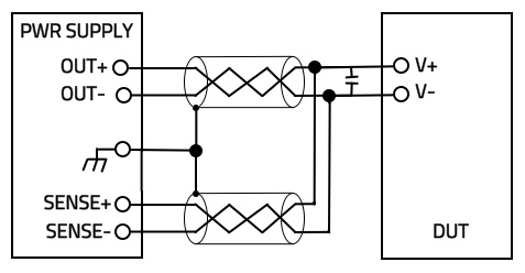
- Use shielded cable to connect the power supply to a load. You can minimize the radiated noise picked up by the power supply leads by using twisted-pair, shielded cable for both the output and remote sense leads, as shown in the figure below.
Connect the shield to ground at one end only, preferably the single-point ground on the supply, as shown. Another thing that you can do to reduce noise pickup is to use a common-mode choke in series with the output leads and a shunt capacitor from each lead to ground.
- Avoid imbalances in load lead inductance. By using shielded, twisted-pair cable to connect the supply to the load, you ensure that the leads are the same length, which helps you avoid any imbalance in the leads. Directly connecting the cable to the DUT also helps you avoid any imbalance.
- Eliminate ground loops. Another way to minimize conducted noise is by eliminating ground loops. The system should have only one connection to ground. In rack systems, where you have multiple ground points, keep the DC distribution path separate from paths that carry other ground currents. If necessary, you can isolate the power supply from ground. The Sorensen XT Series offers isolated outputs that make this easy to do.
- Use a bypass capacitor at the load to smooth voltage spikes. If your load rapidly changes the amount of current drawn from the supply, it may cause voltage spikes. Adding a bypass capacitor close to the load will help reduce those spikes.. The capacitor should have a low impedance at the highest testing frequencies.
For more information on reducing noise in your test system, contact AMETEK Programmable Power. You can send an e-mail to sales.ppd@ametek.com or phone 800-733-5427.

